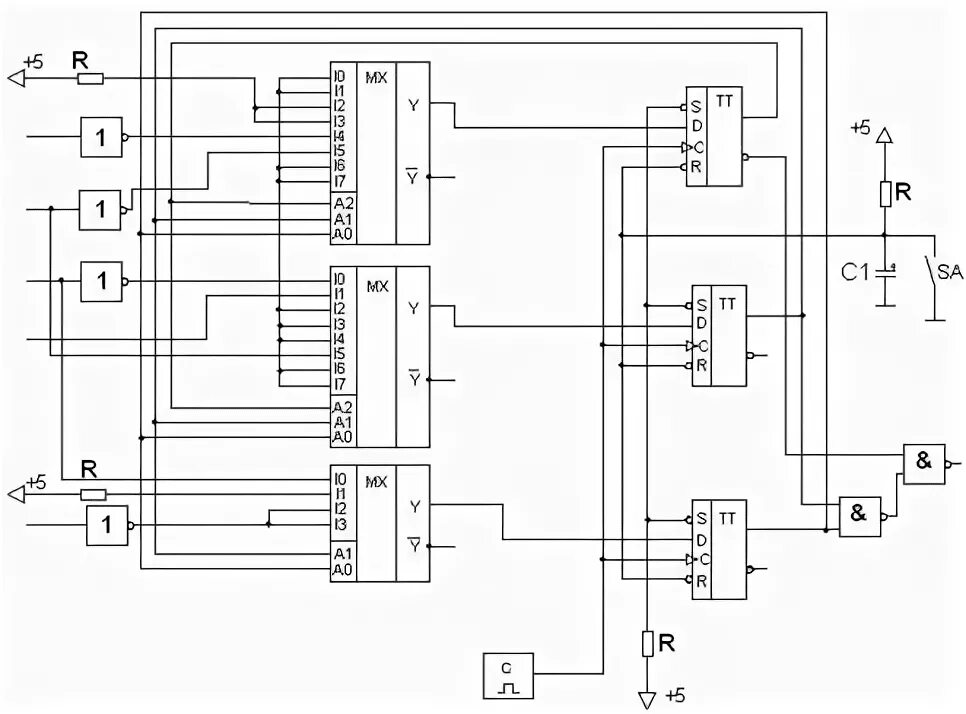
Схемы дискретного управления