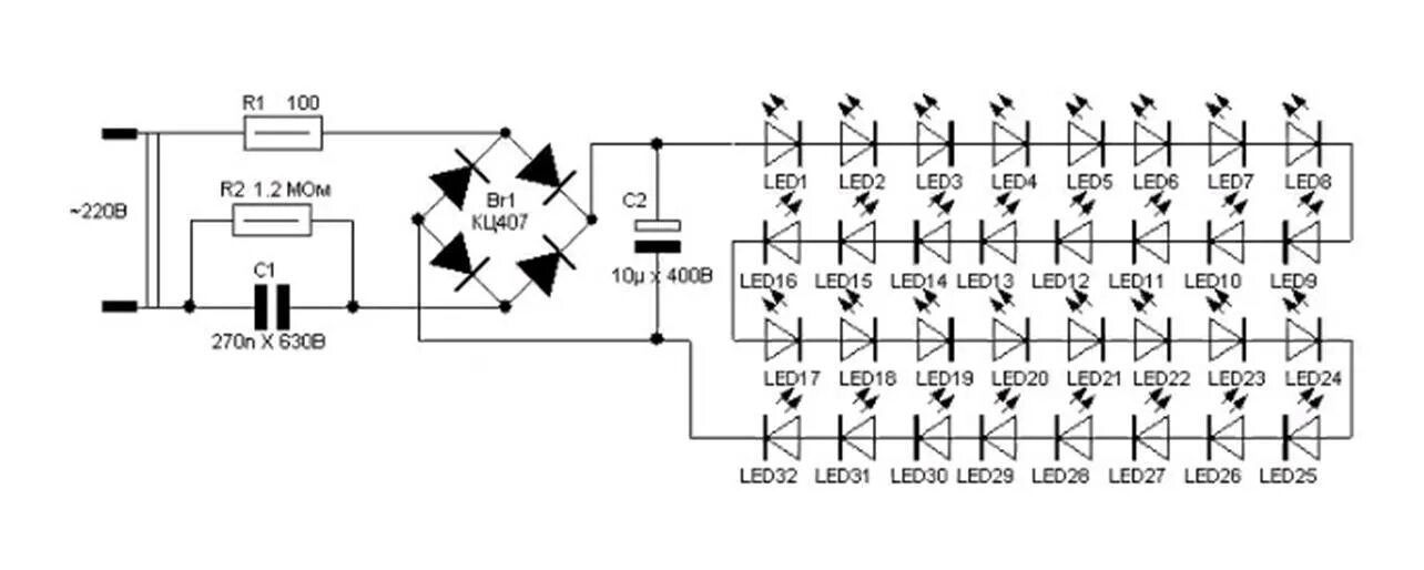
Схемы блоков светодиодных ламп