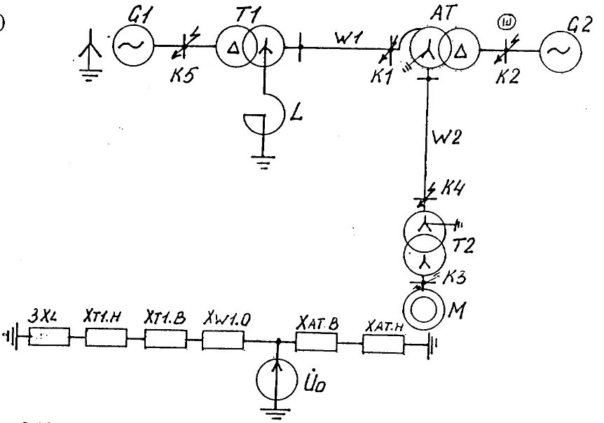
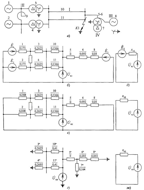
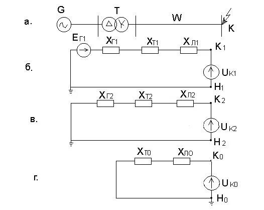
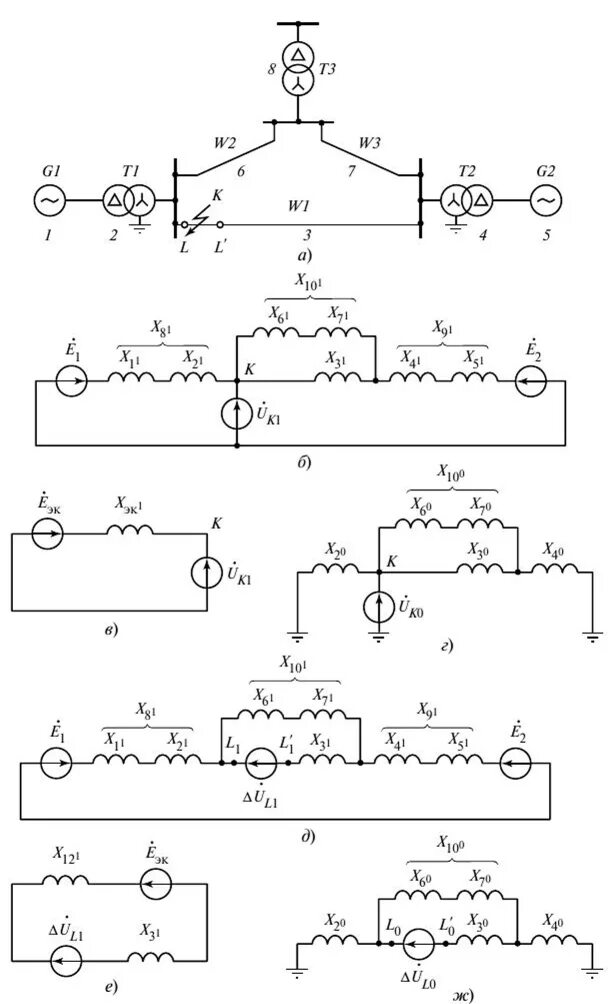
Схема замещения прямой