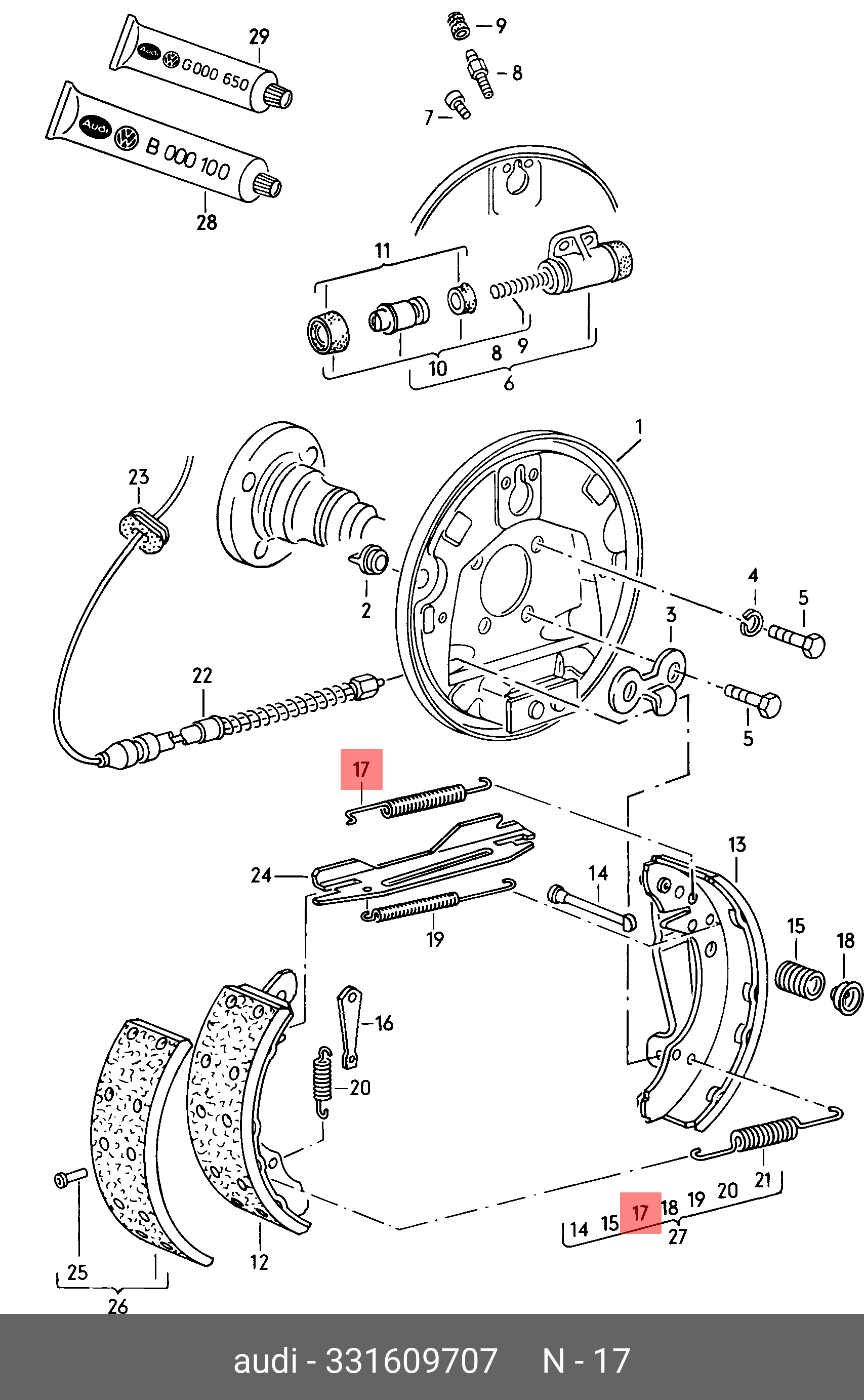
Схема задних тормозных колодок