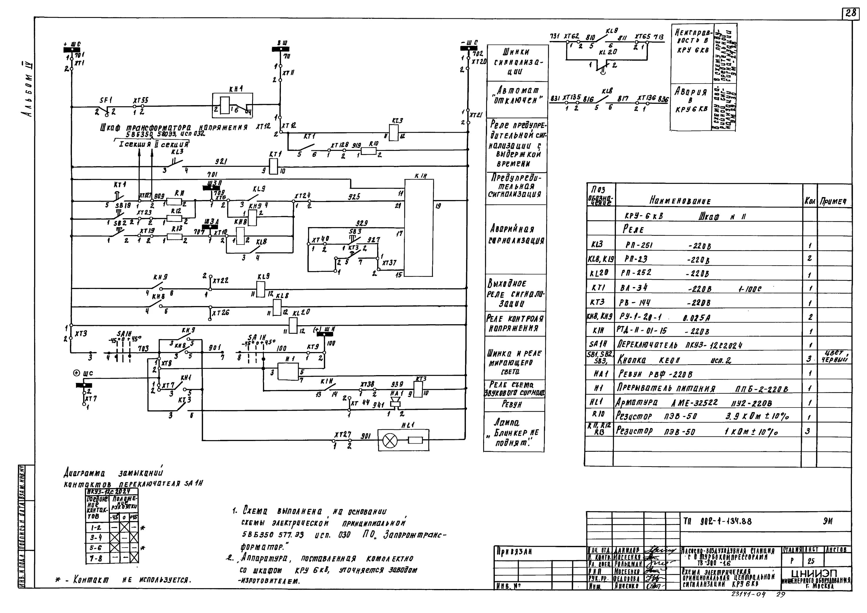
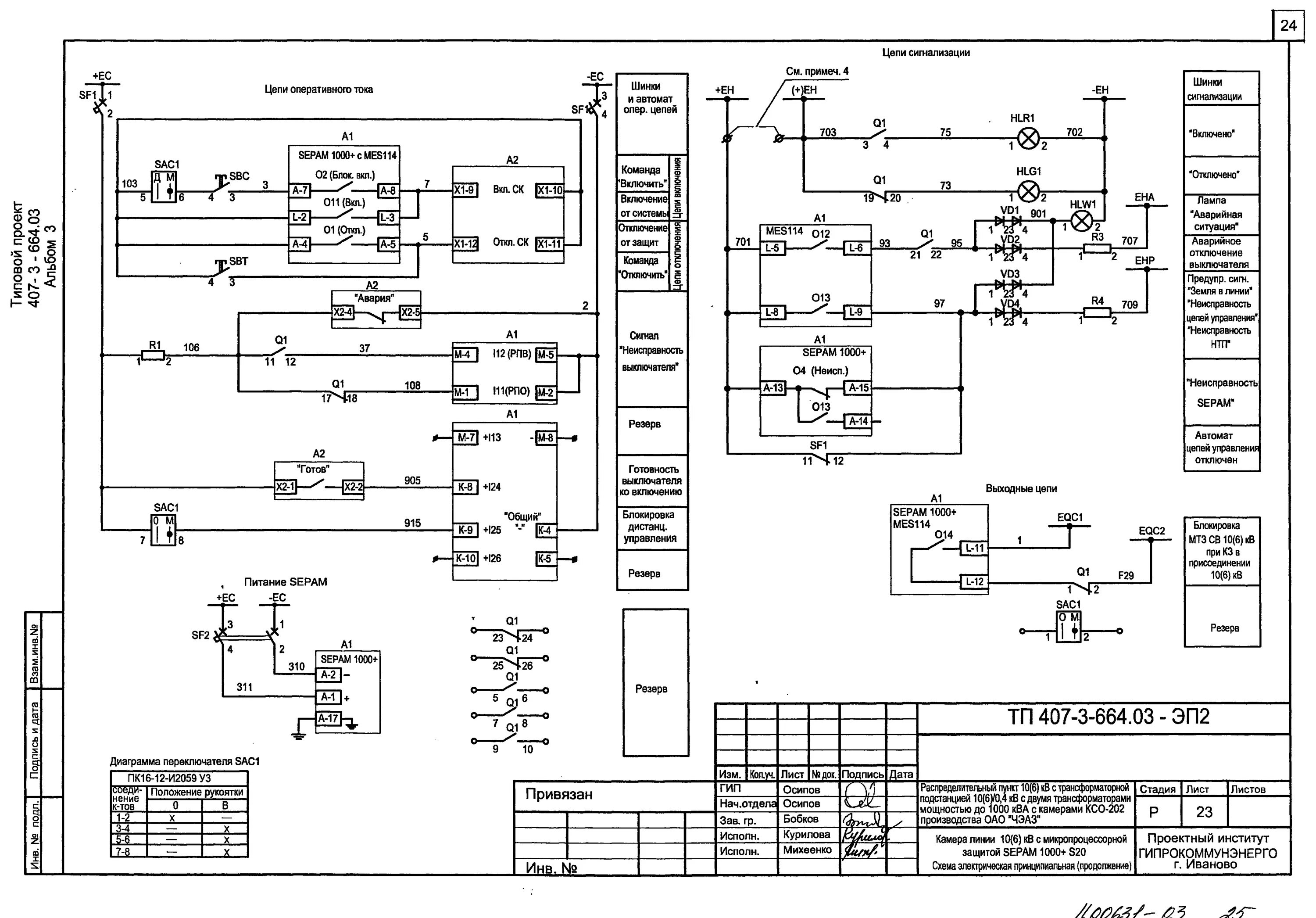
Схема центральной сигнализации