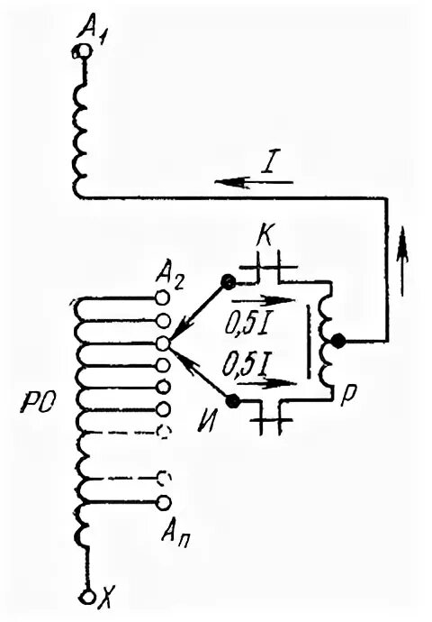
Схема трансформатора с нагрузкой