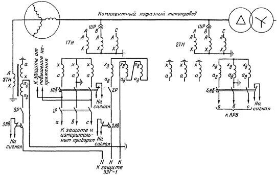
Схема трансформатора напряжения 6 кв