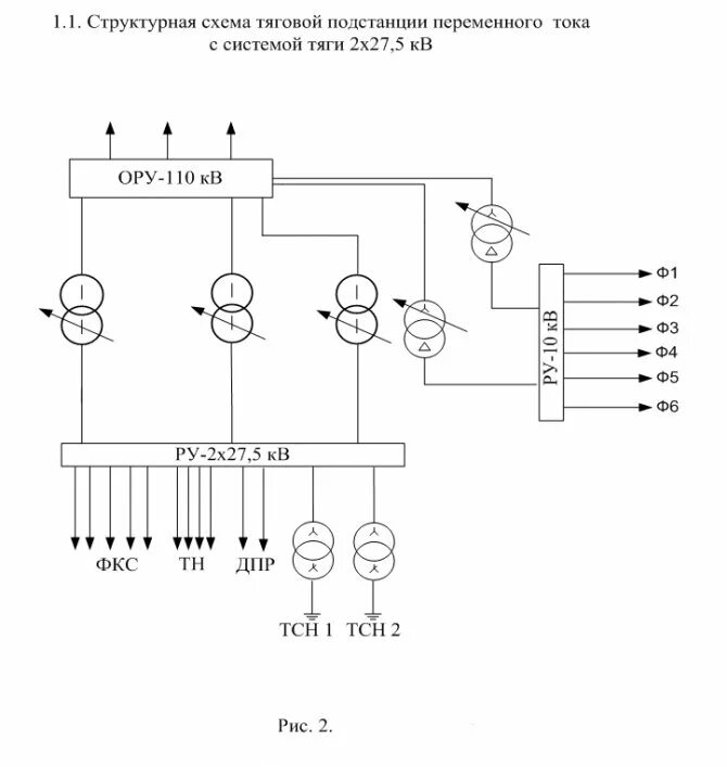
Схема системы переменного тока