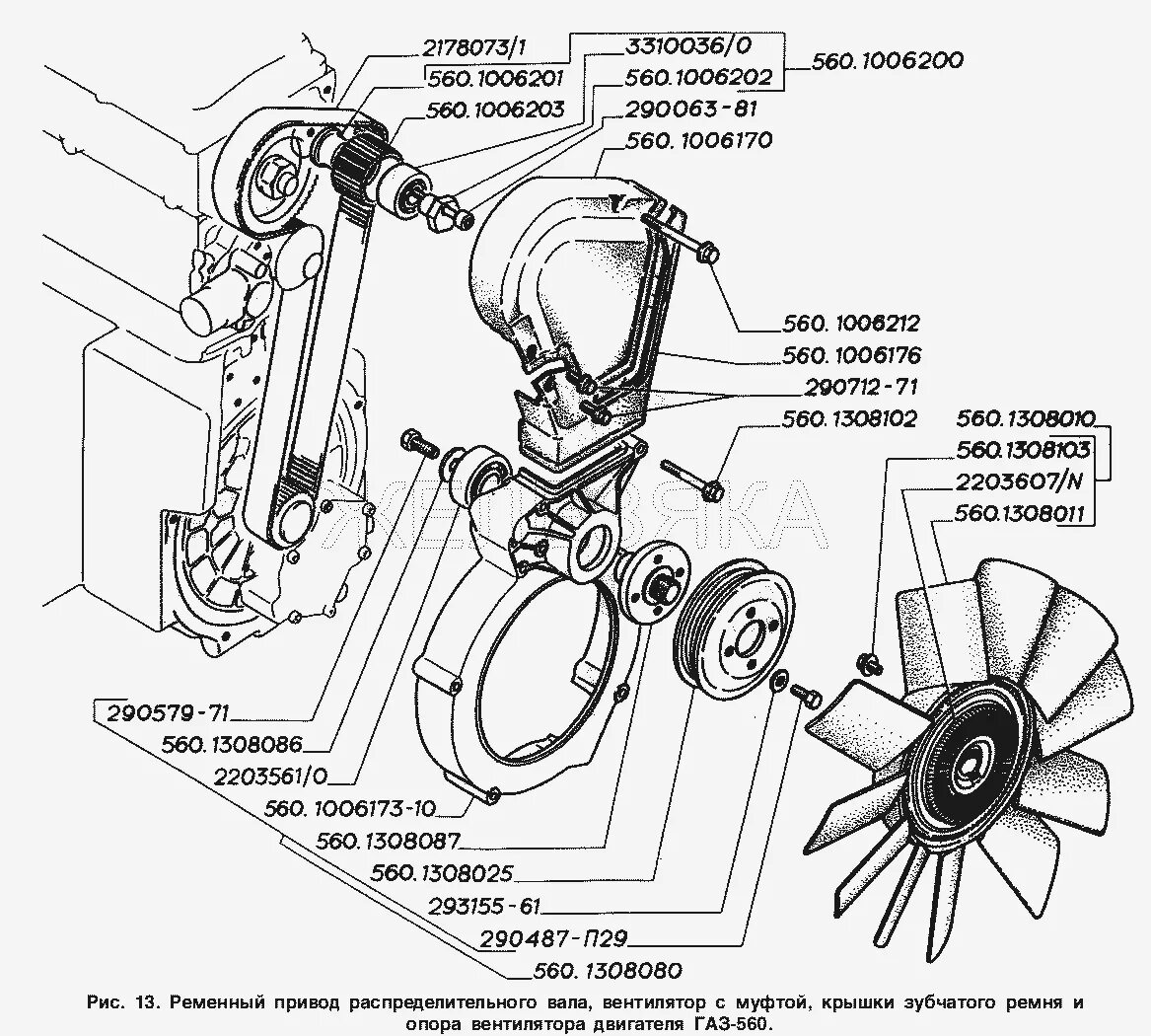
Схема ремня генератора соболь