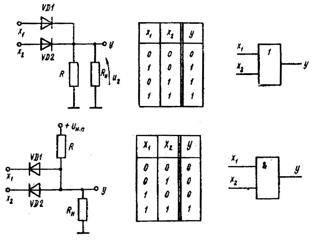
Схема реализации элемента