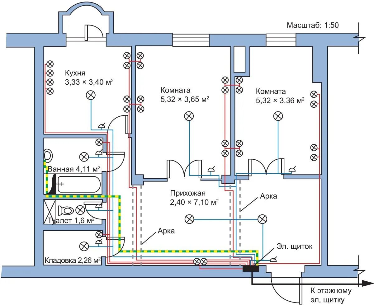
Схема проводов в комнате