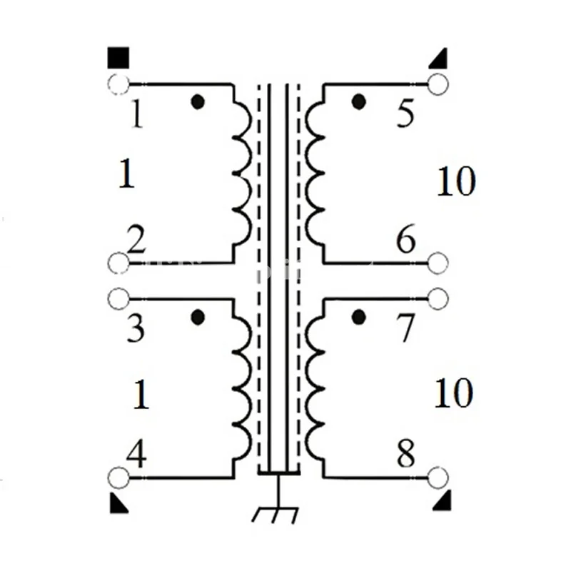
Схема повышающего трансформатора