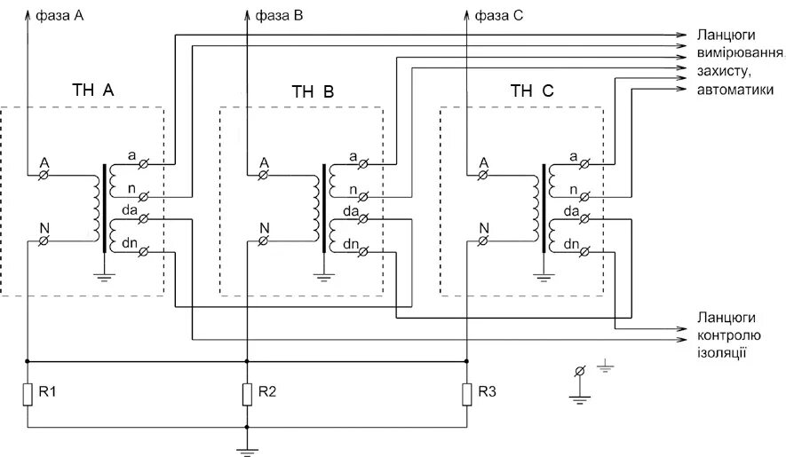
Схема подключения трансформаторов напряжения 10