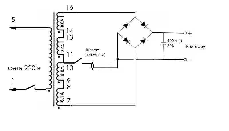
Схема подключения трансформатора 220