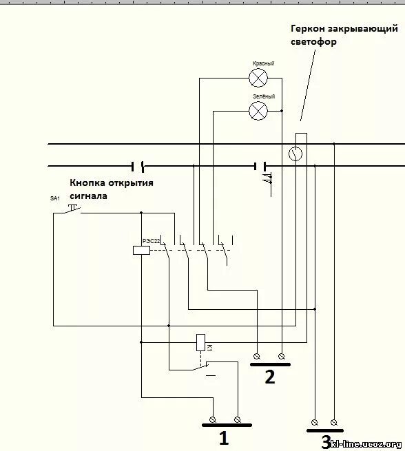
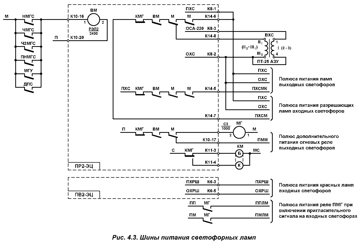
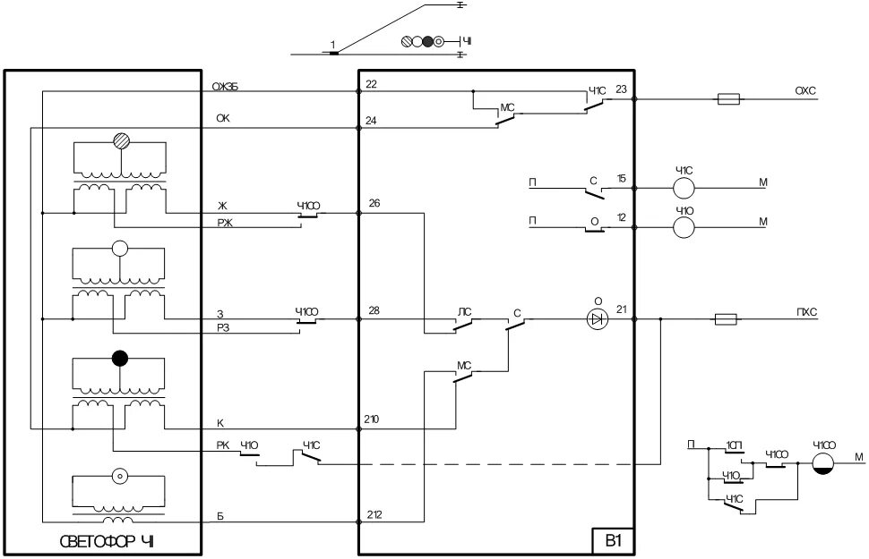
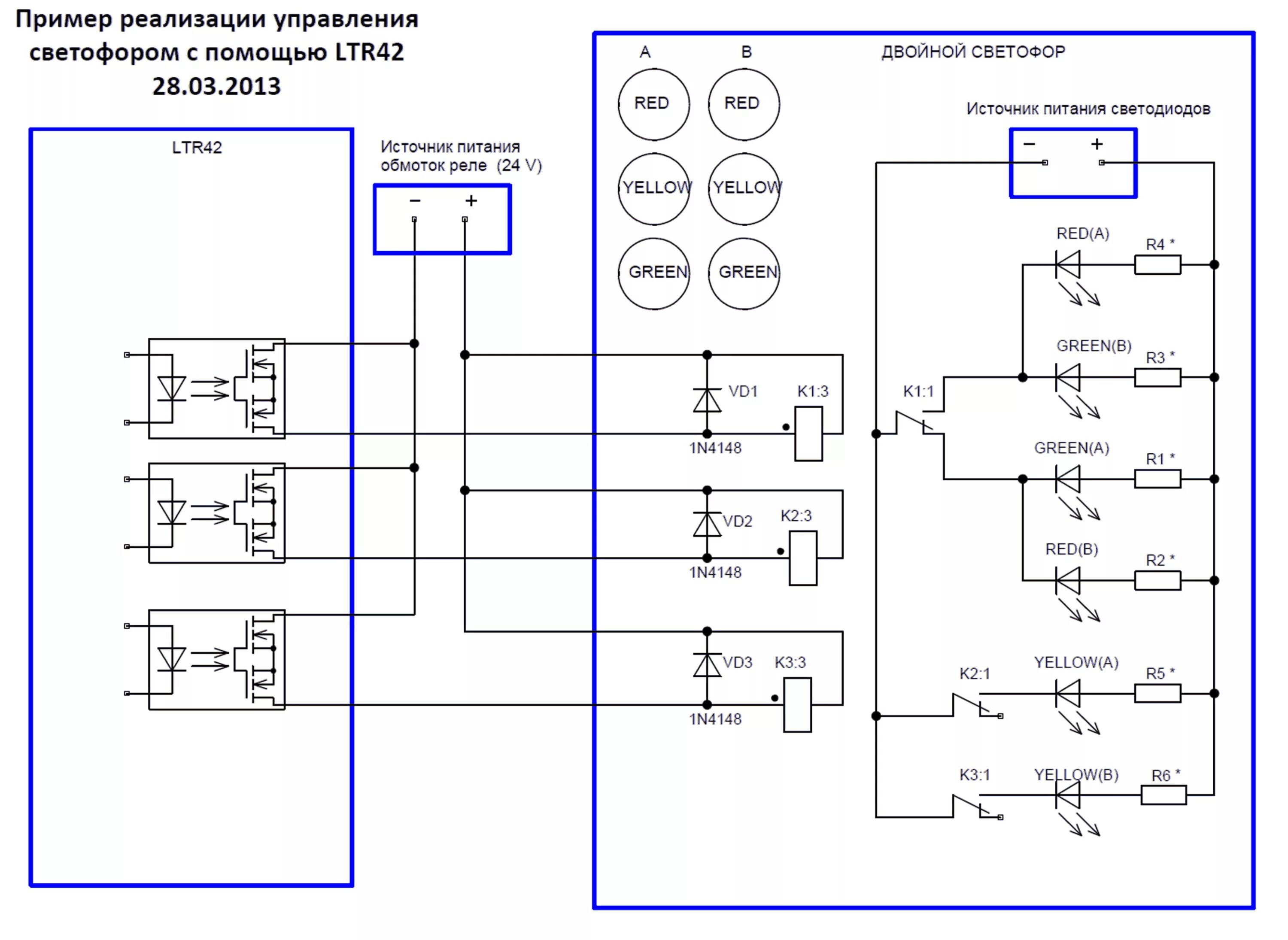
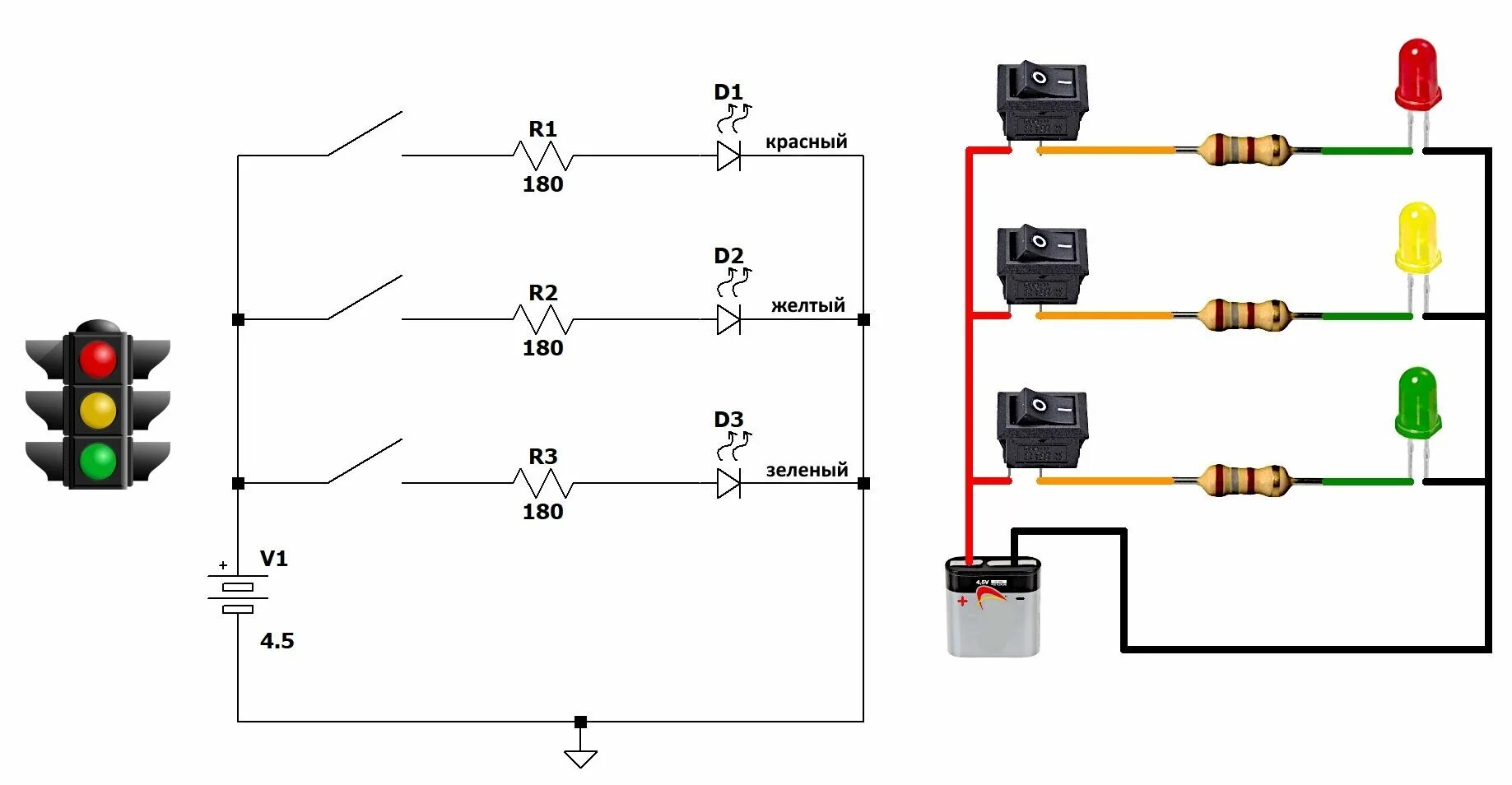
Схема подключения светофора