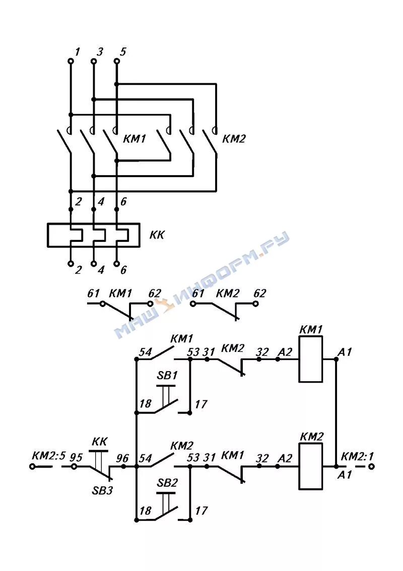
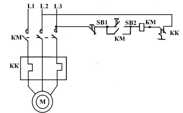
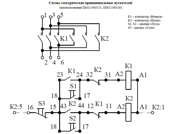
Схема подключения пм