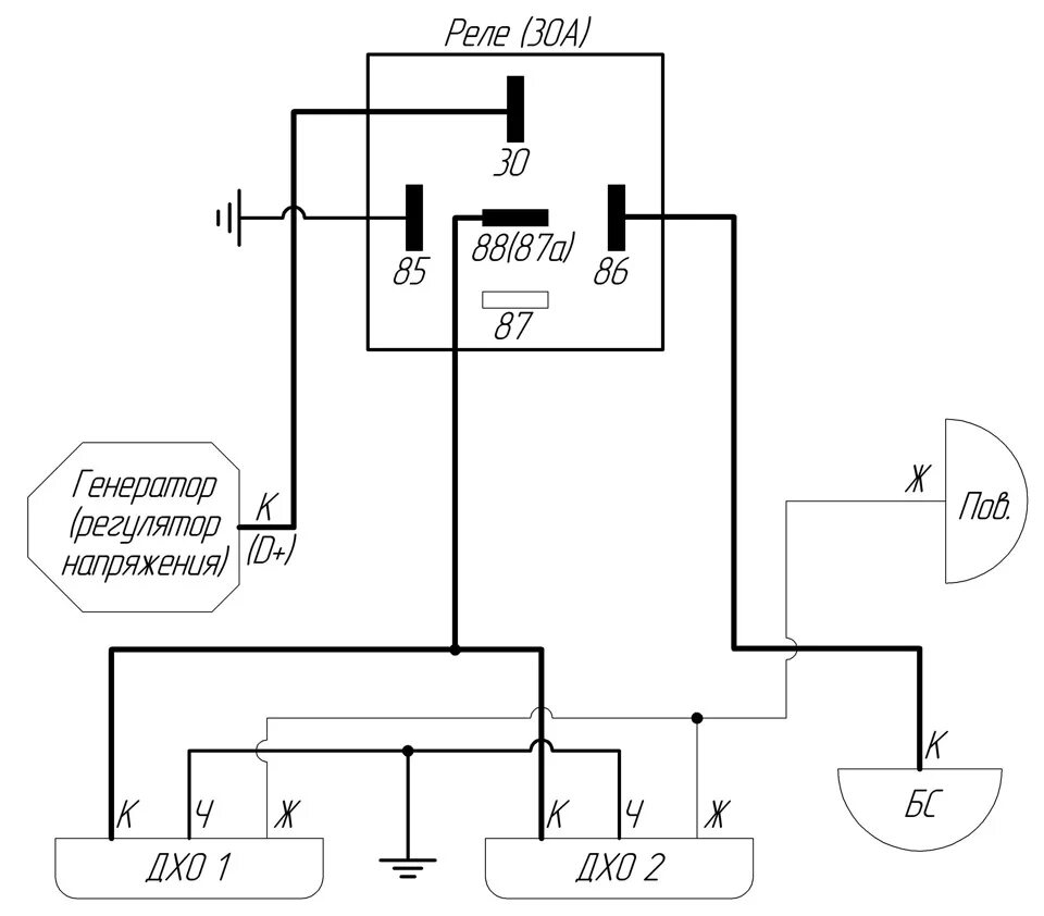
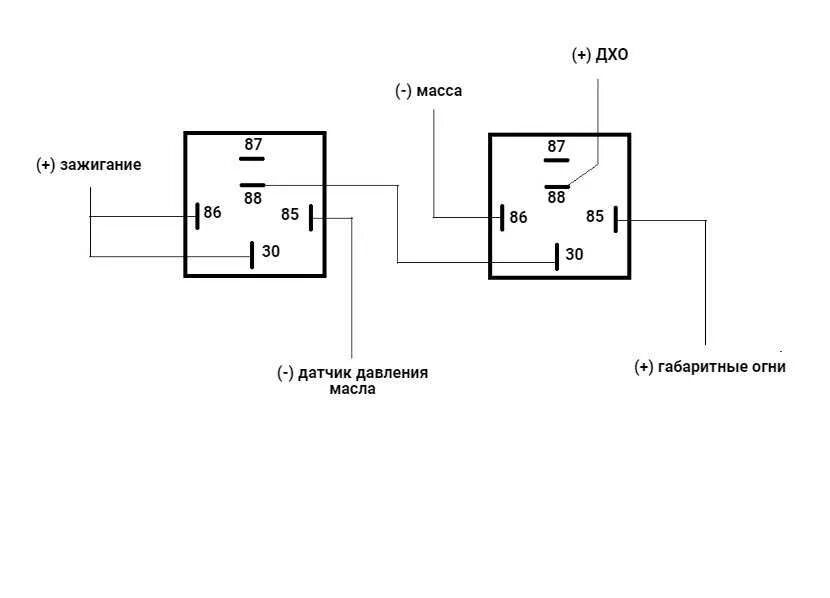
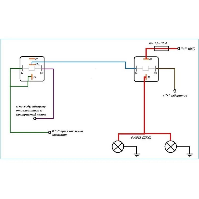
Схема подключения ходовых через реле