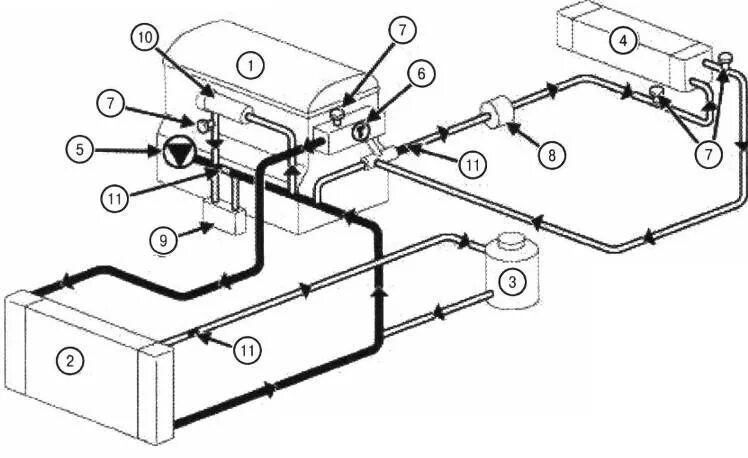
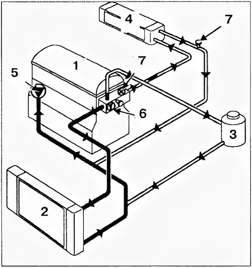
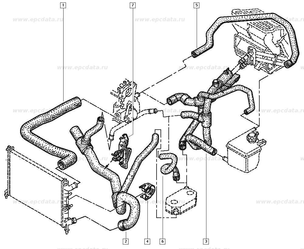
Схема охлаждения двигателя логан