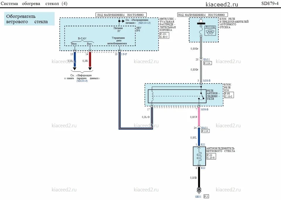
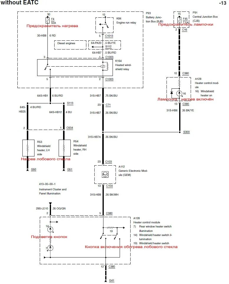
Схема обогрева лобового стекла