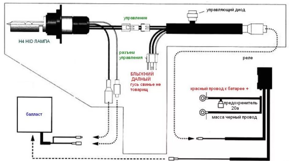
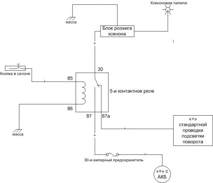
Схема ксеноновой лампы