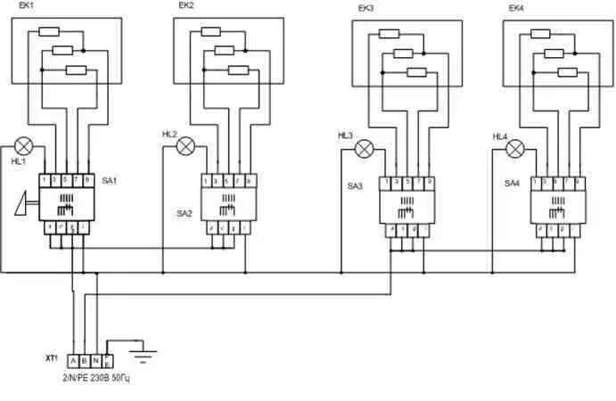
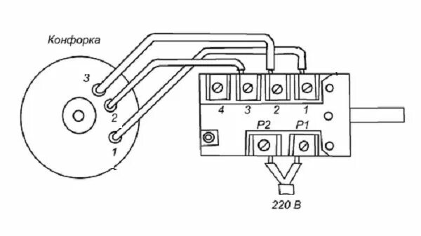
Схема конфорки с 4