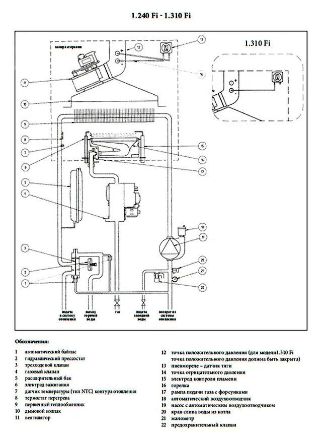
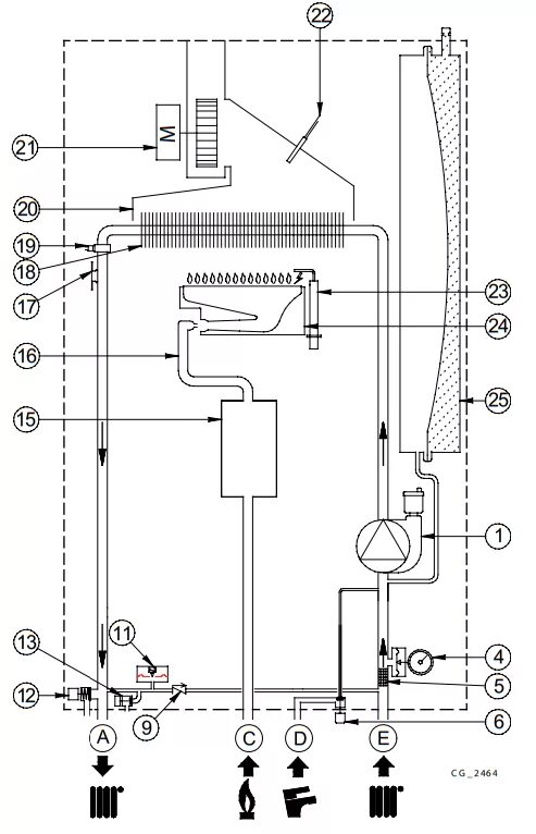
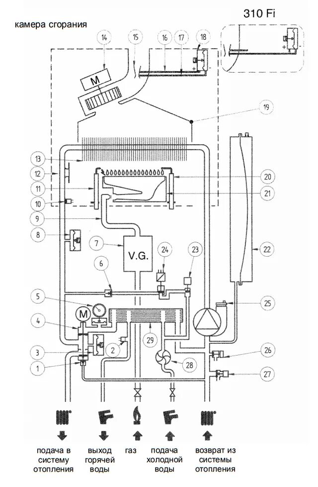
Схема газовых котлов бакси