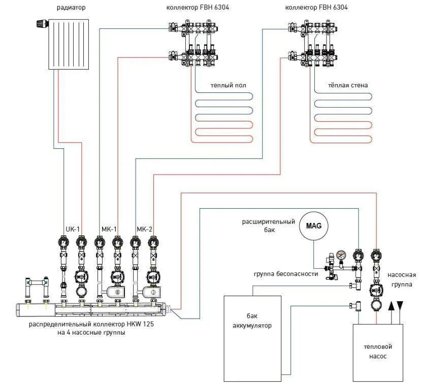
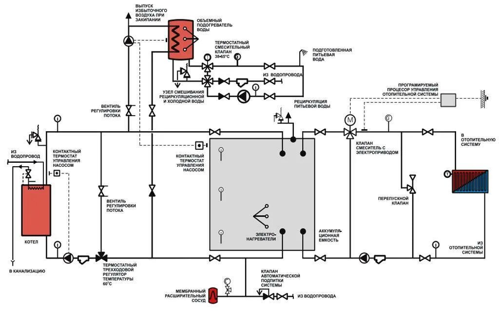
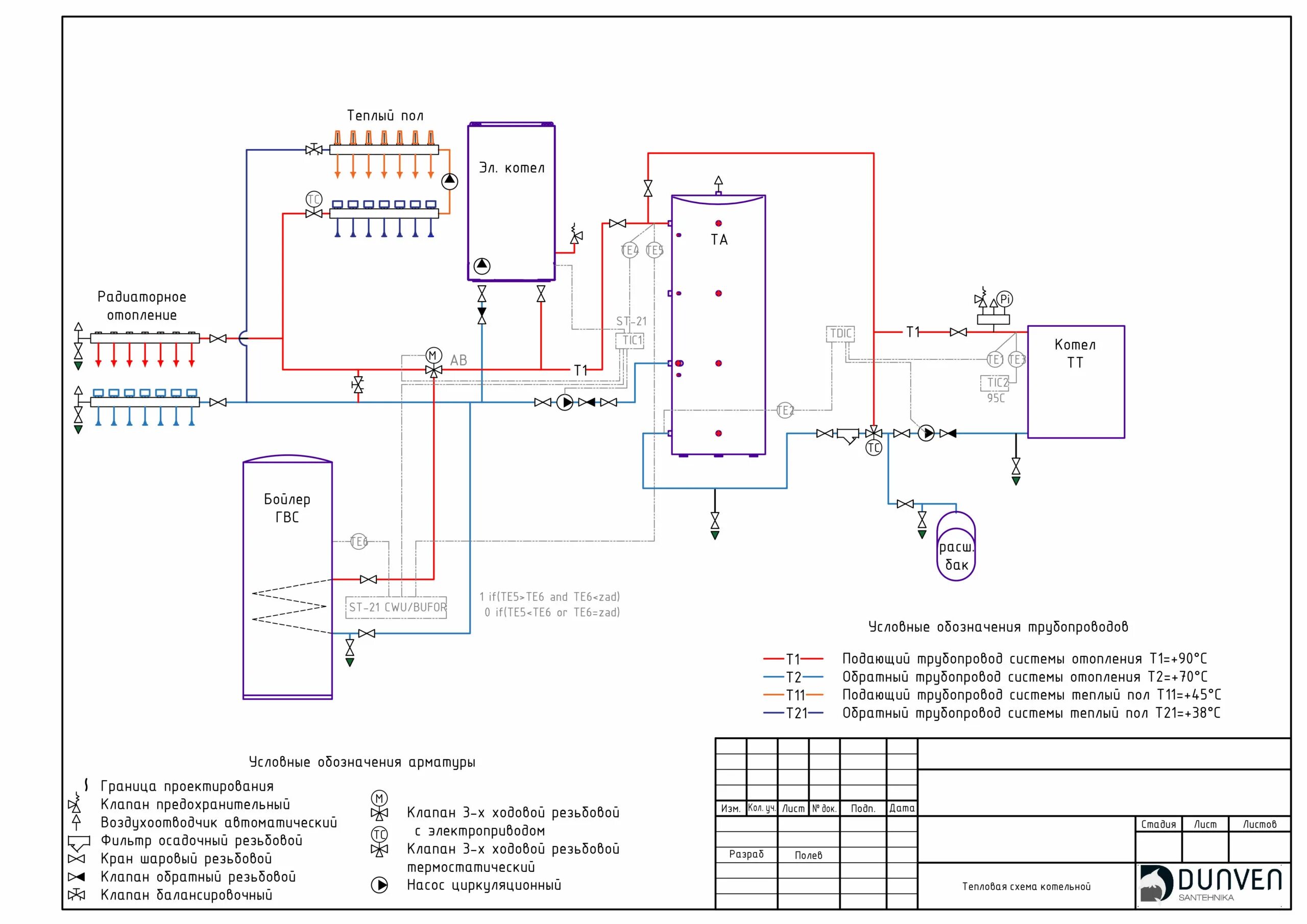
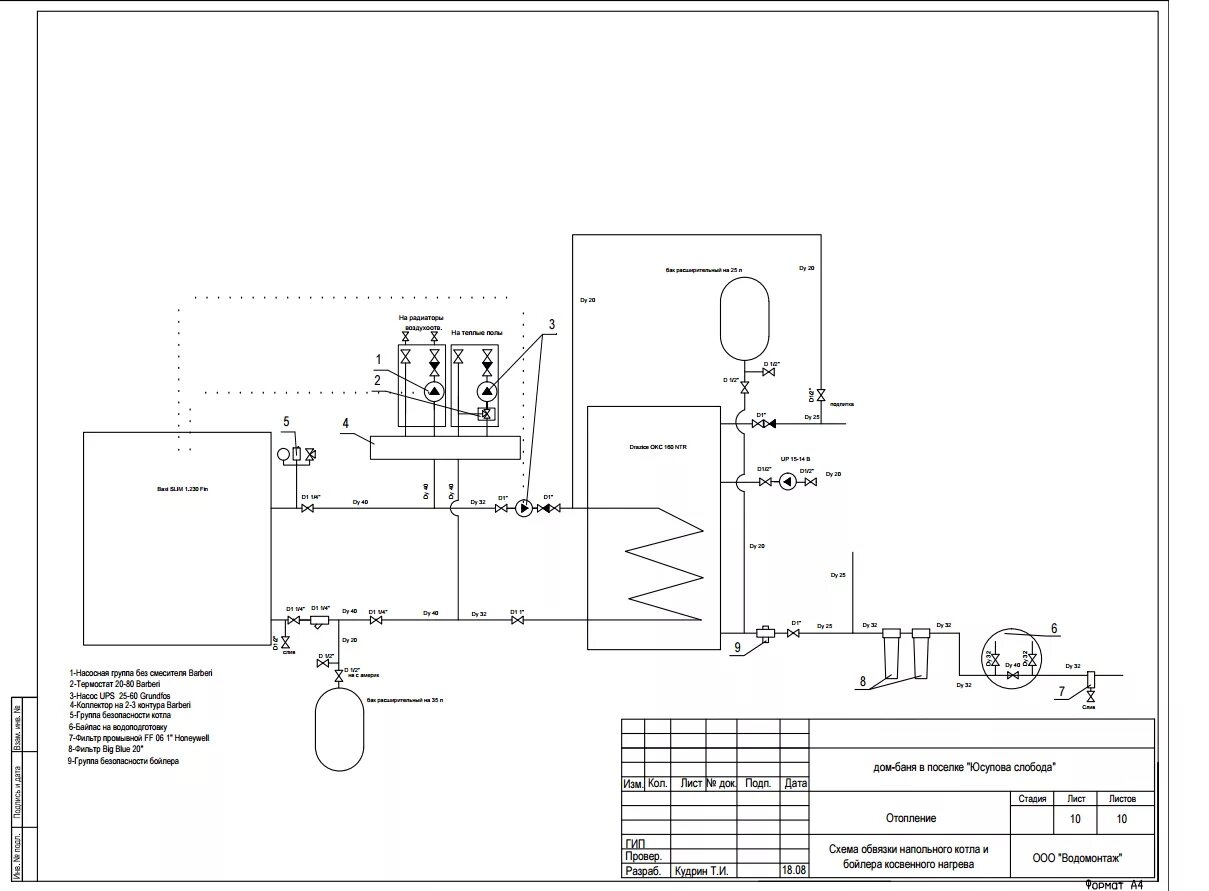
Схема газовой обвязки