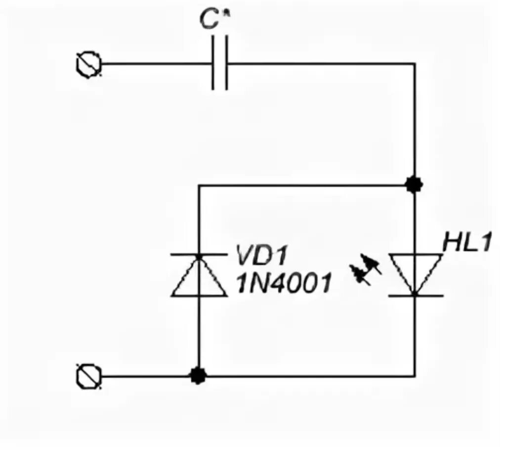
Сеть диодов