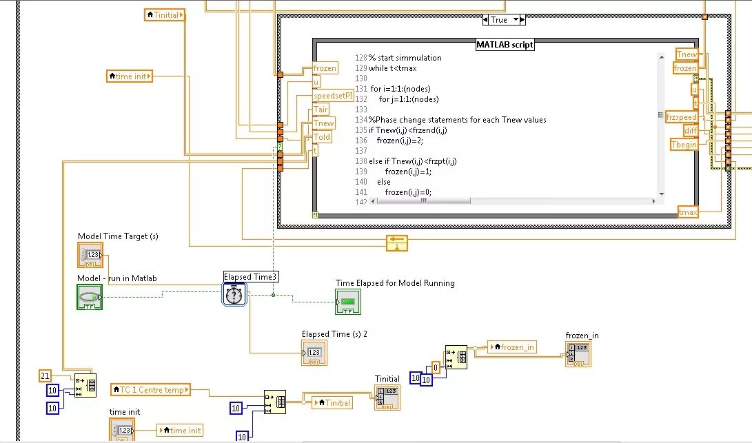
Script nodes