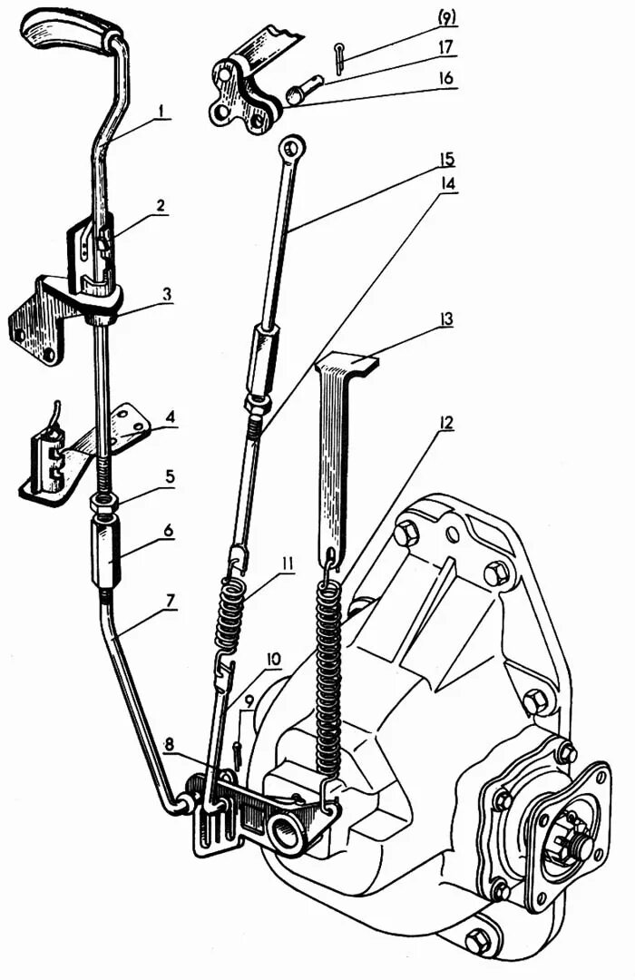
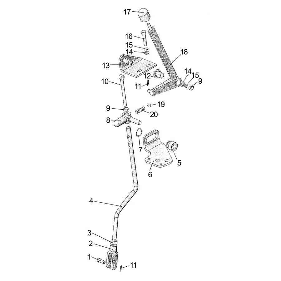
Рычаг включения переднего моста мтз