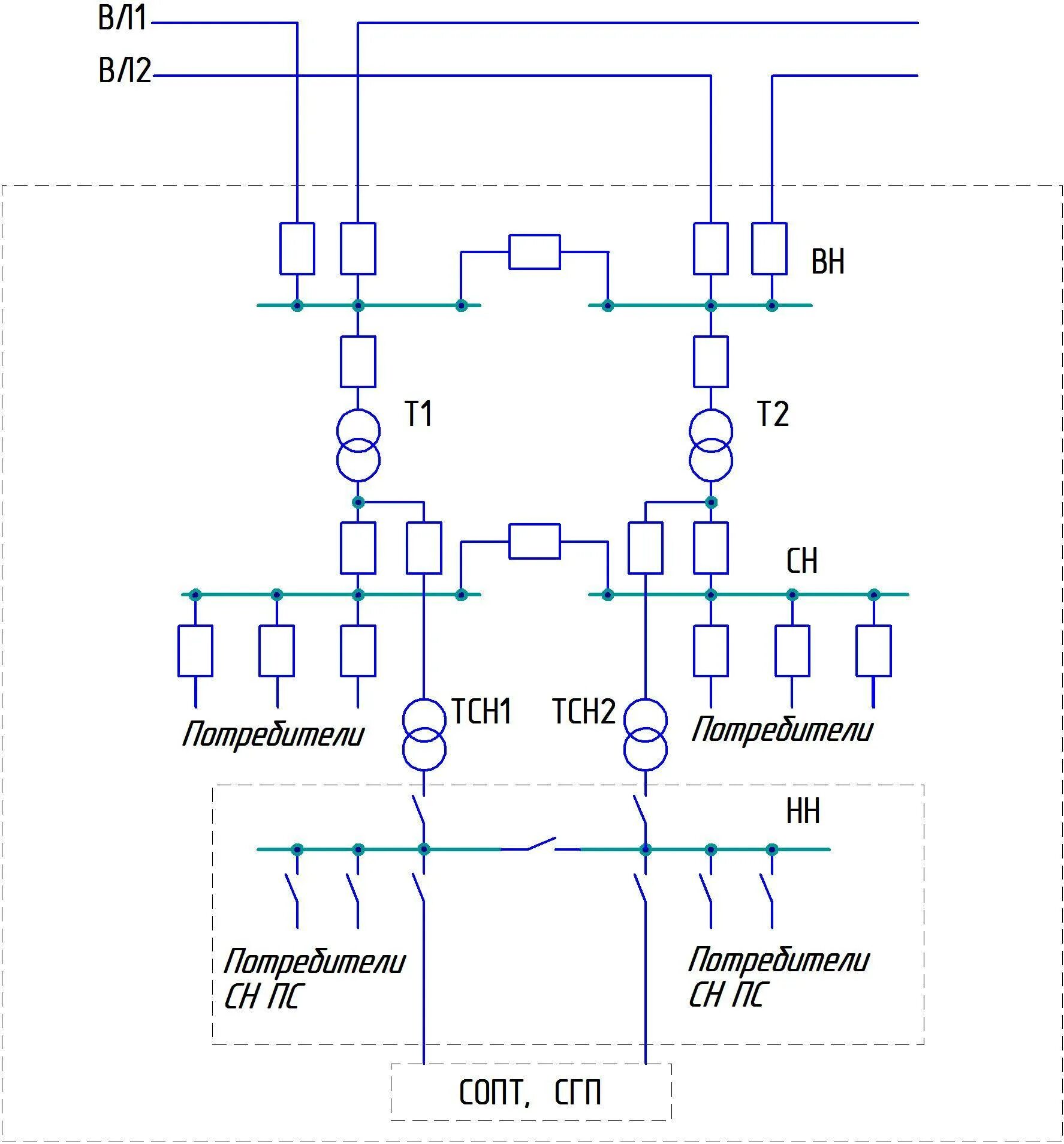
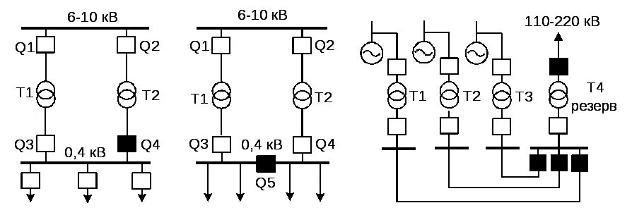
Резервное трансформатор