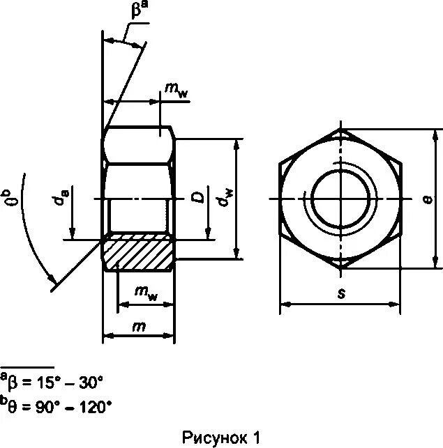
Резьба м 20