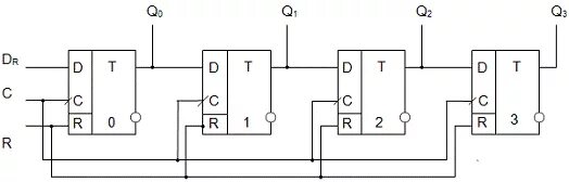
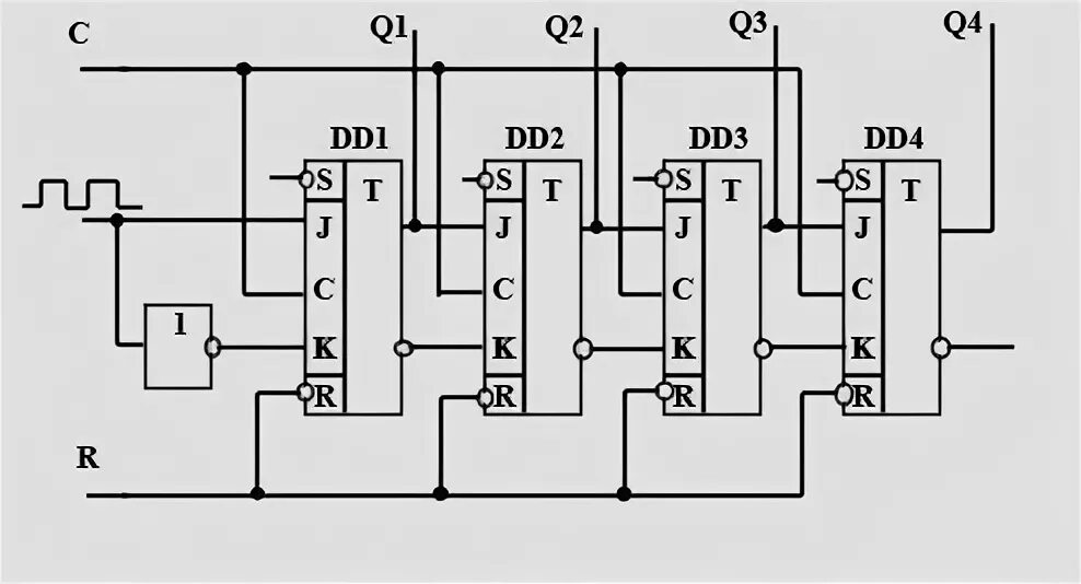
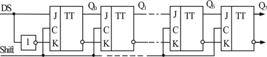
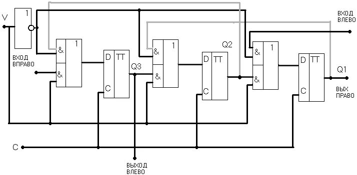
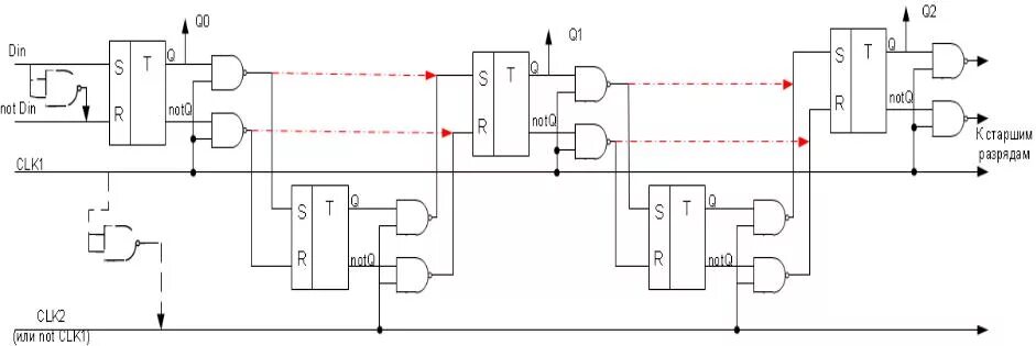
Регистр на триггерах