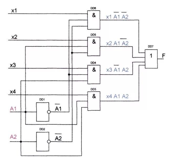
Реализация логических функций