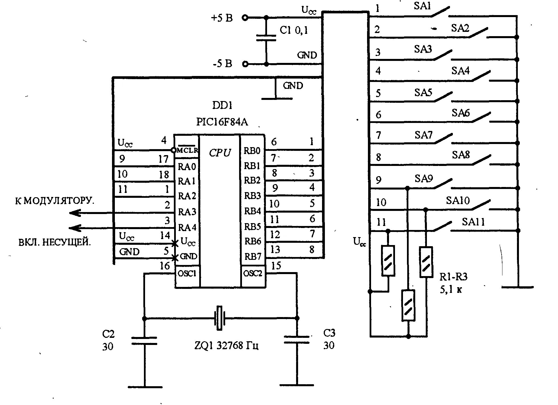
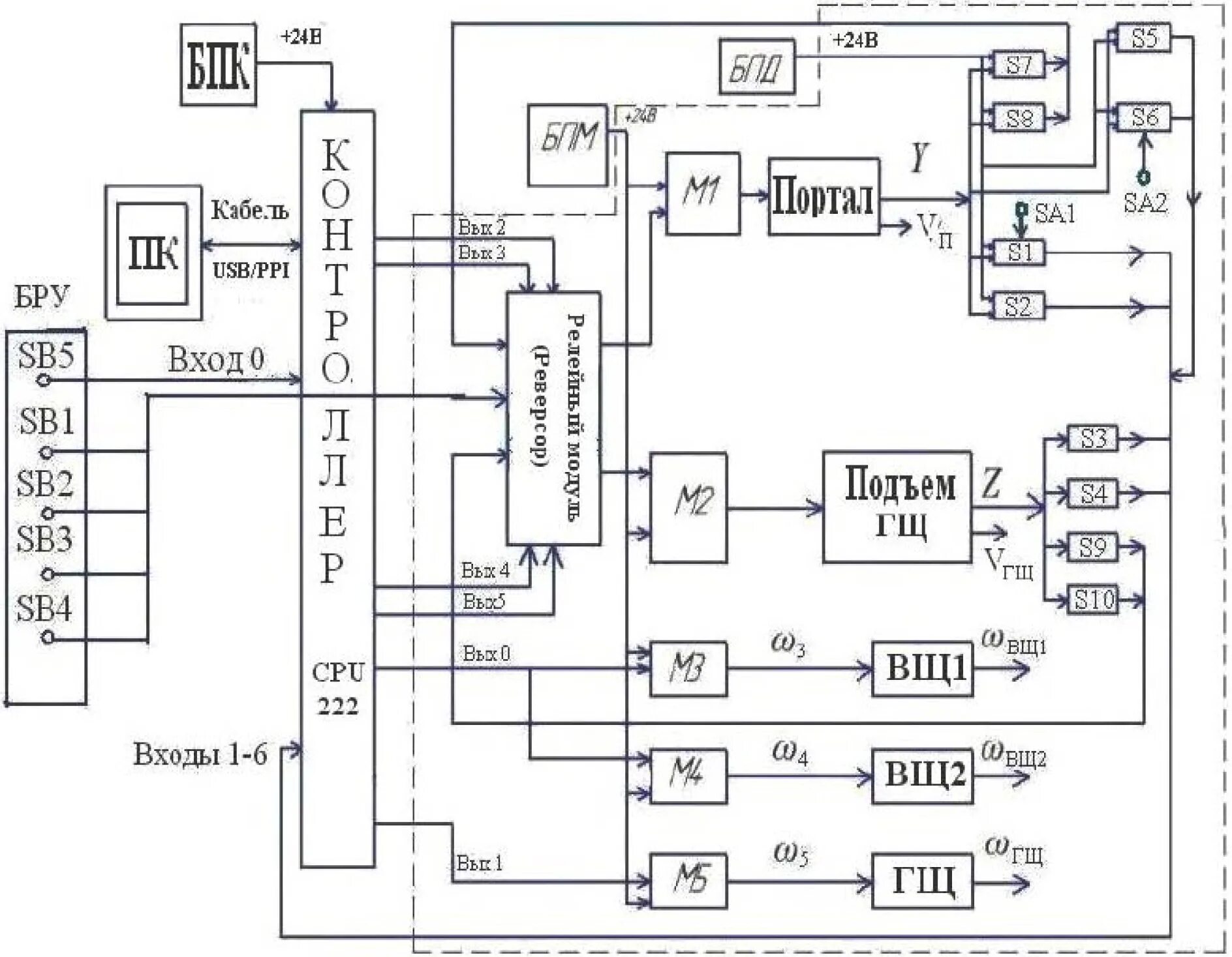
Разработка микропроцессорной системы