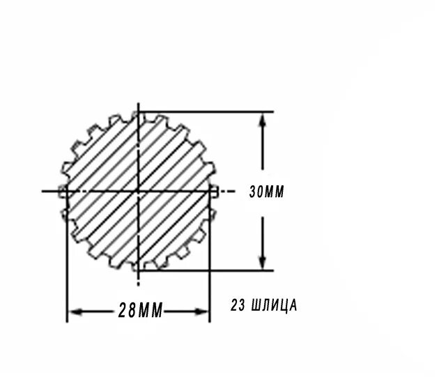
Размеры внутренних шлицов