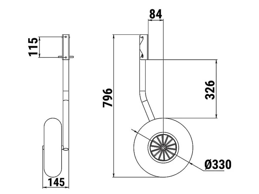
Размеры транцевых колес