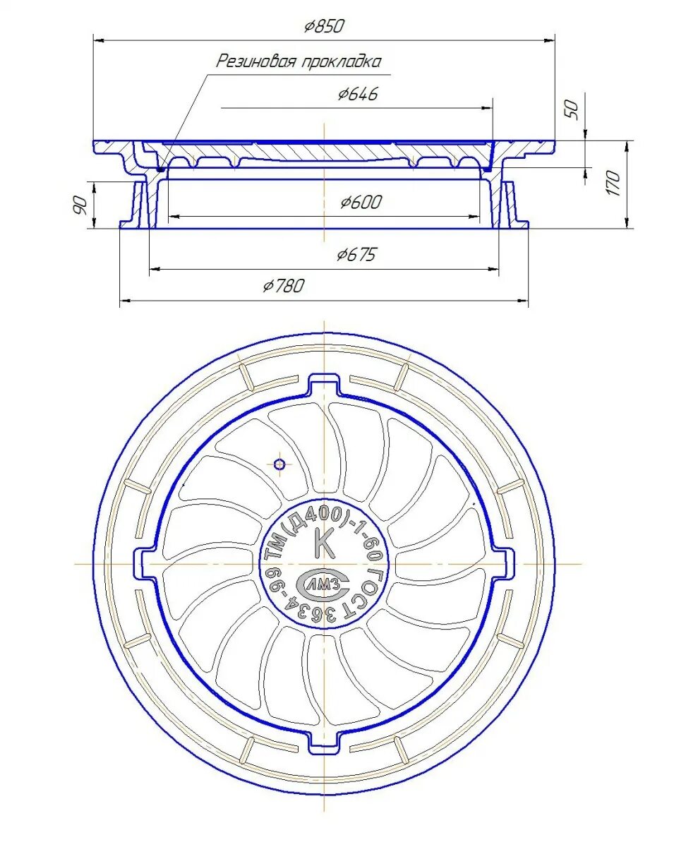
Размер чугунного колодца