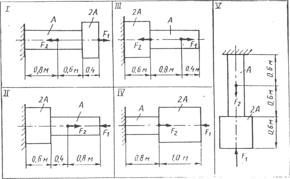
Расчеты на осевое растяжение