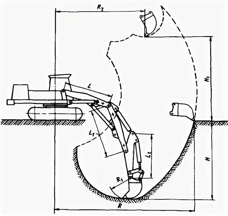
Работа обратной лопатой