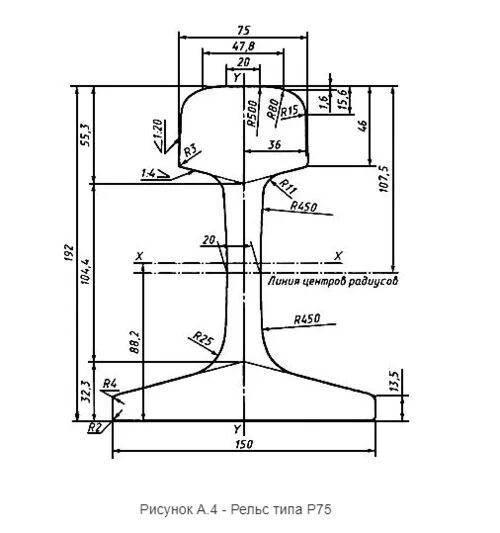
Р 75 от 6 августа