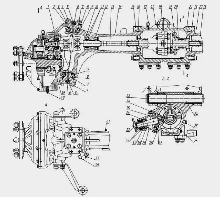
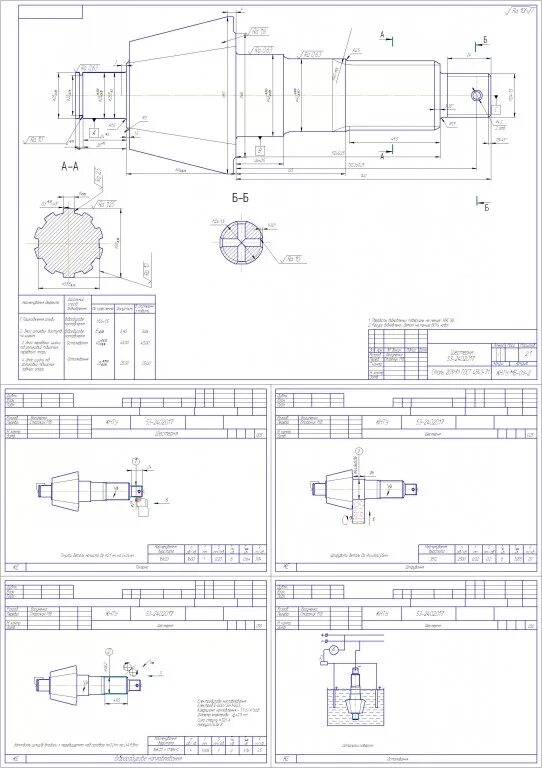
Пвм размеры