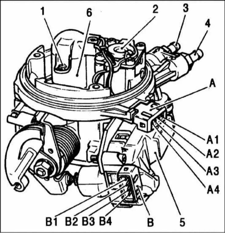
Проверить моновпрыск 1.8