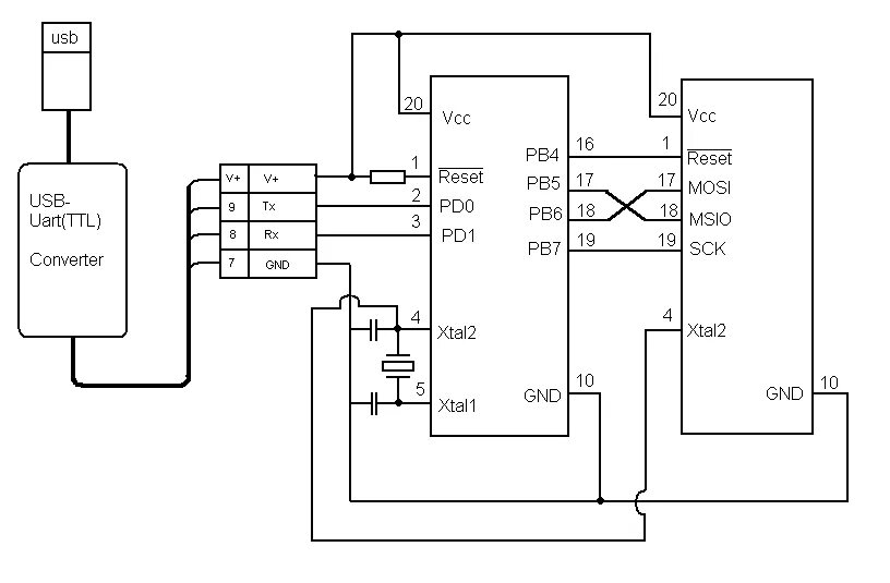
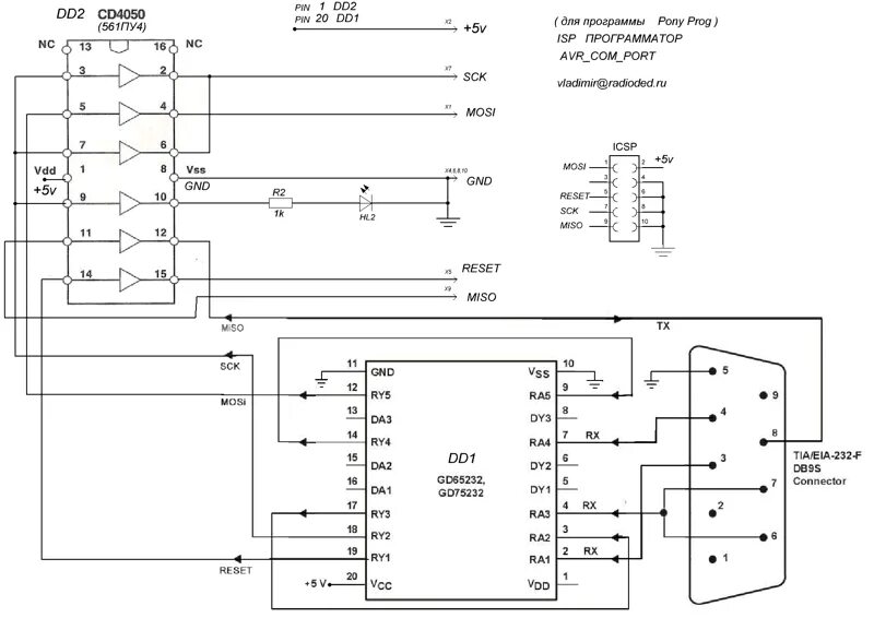
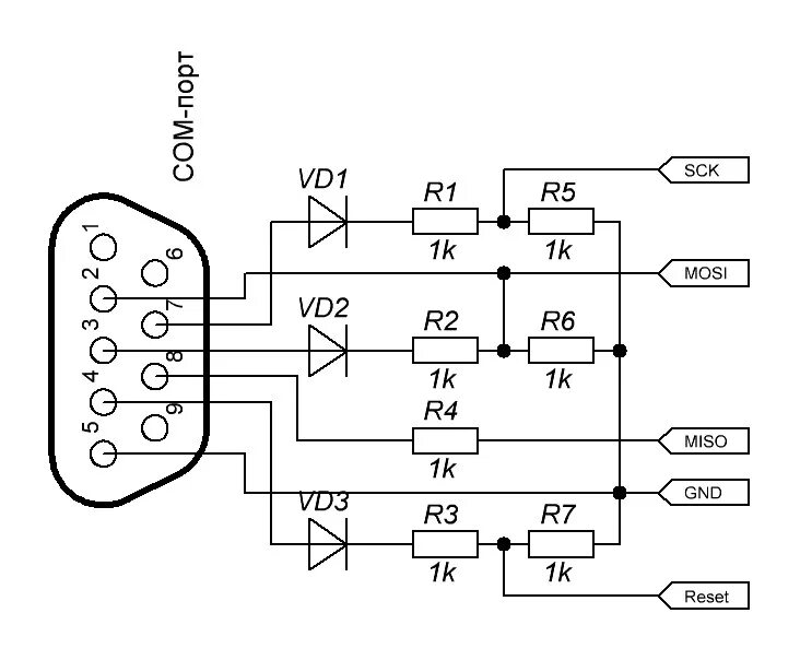
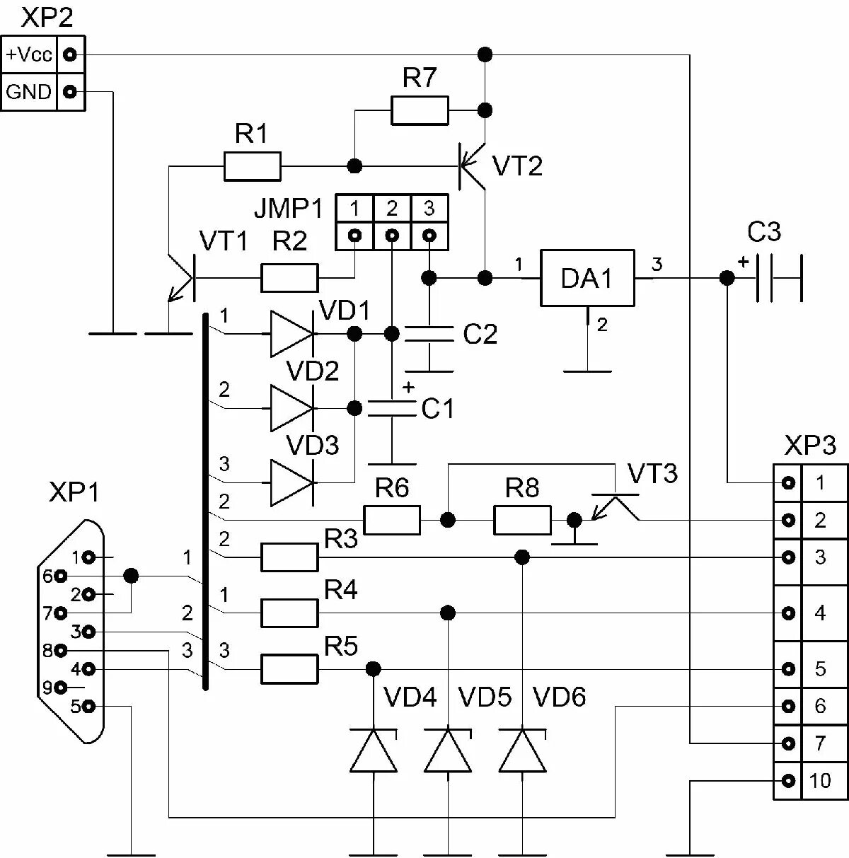
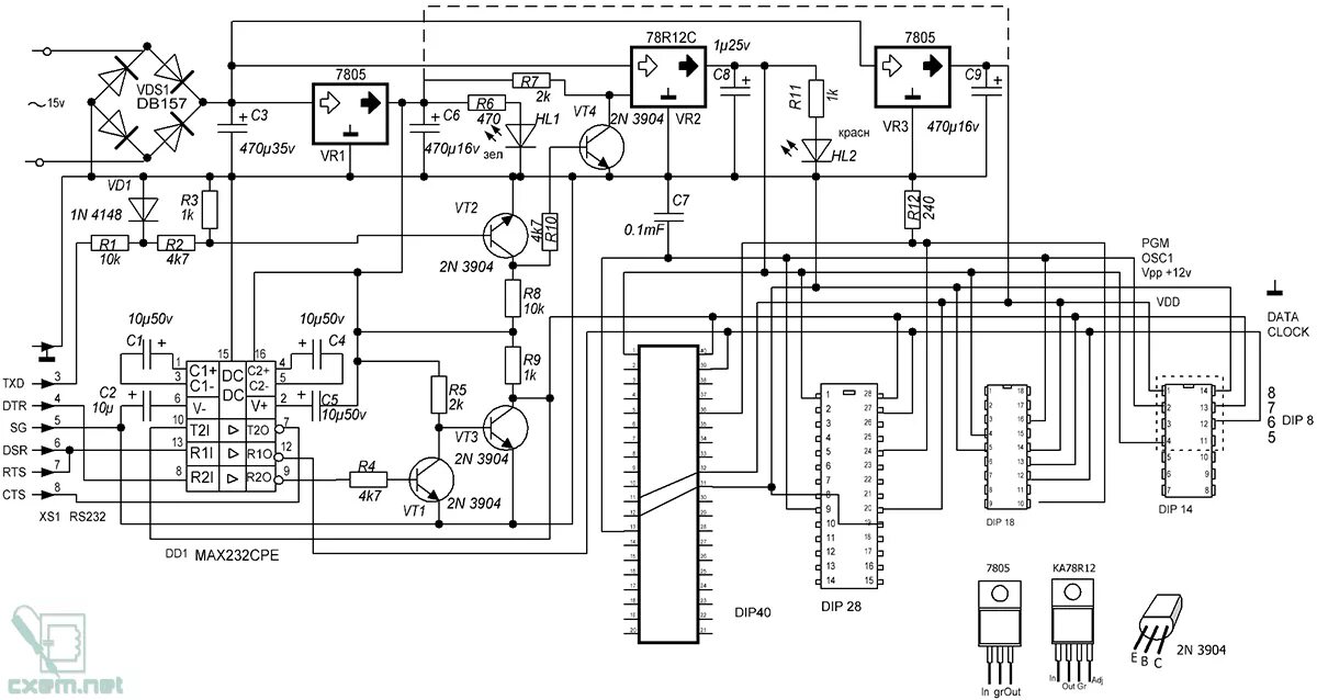
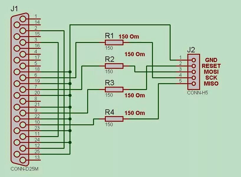
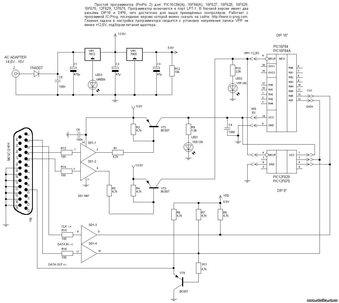
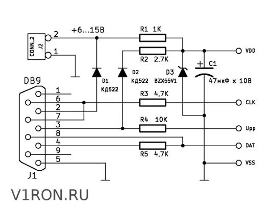
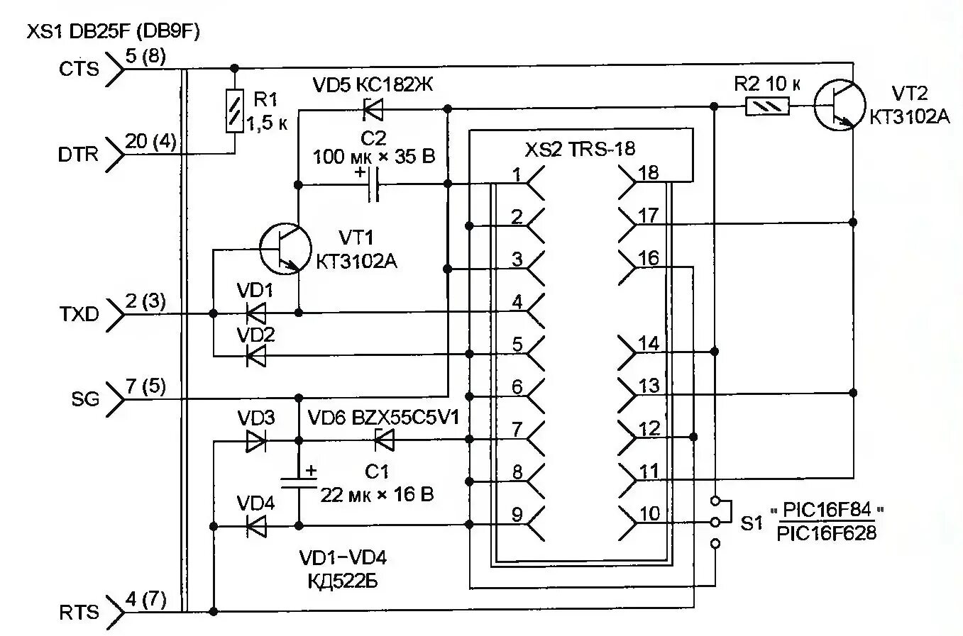
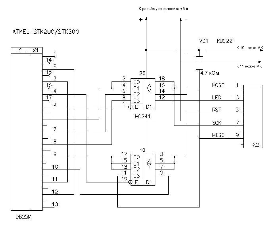
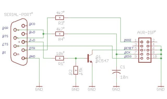
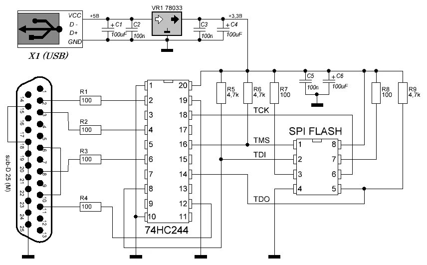
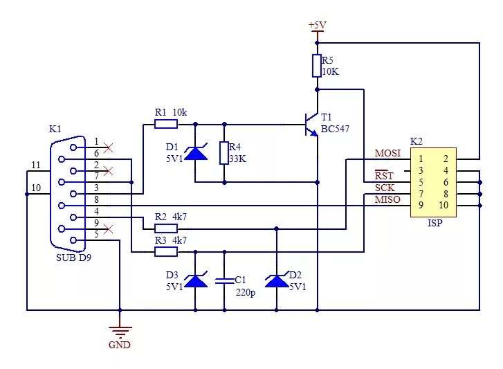
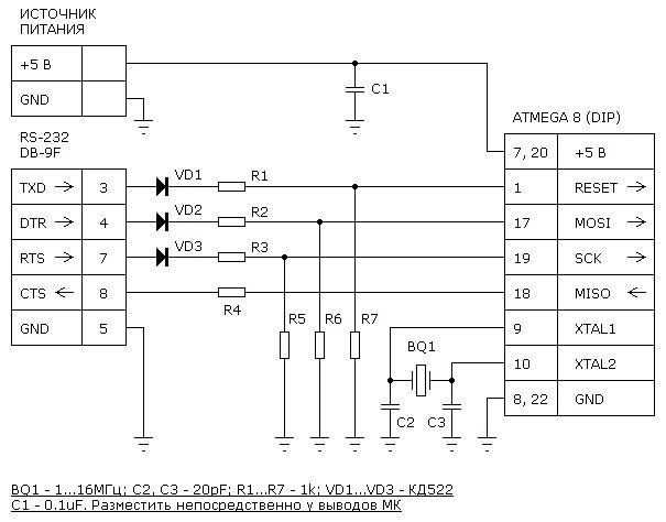
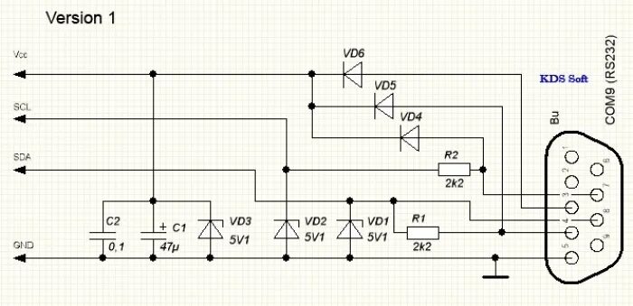
Простой программатор