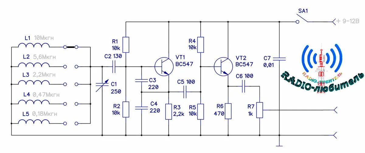
Простой генератор сигналов