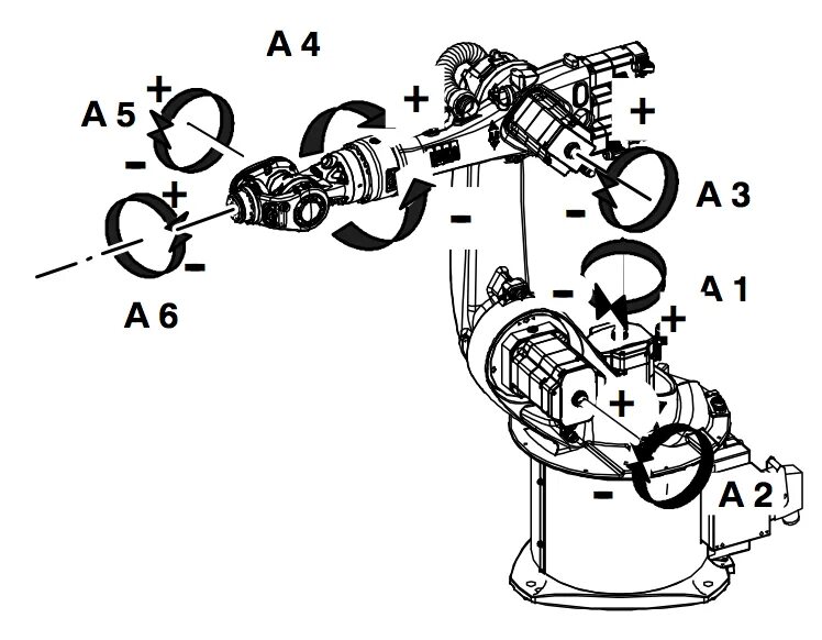
Принцип устройства роботов