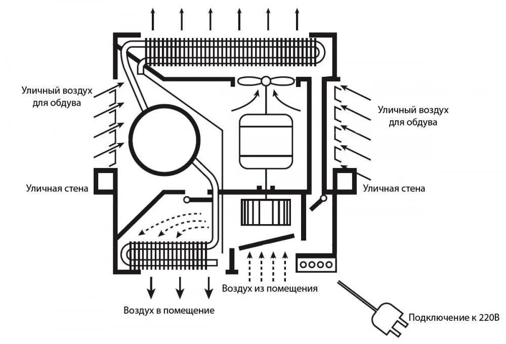
Принцип работы кондиционеров сплит