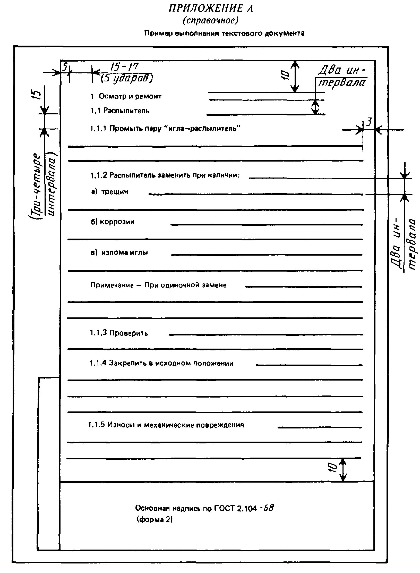
Пример оформления текста