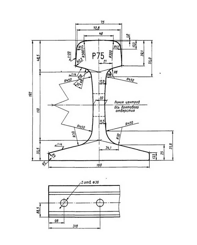
При каком износе головки рельса