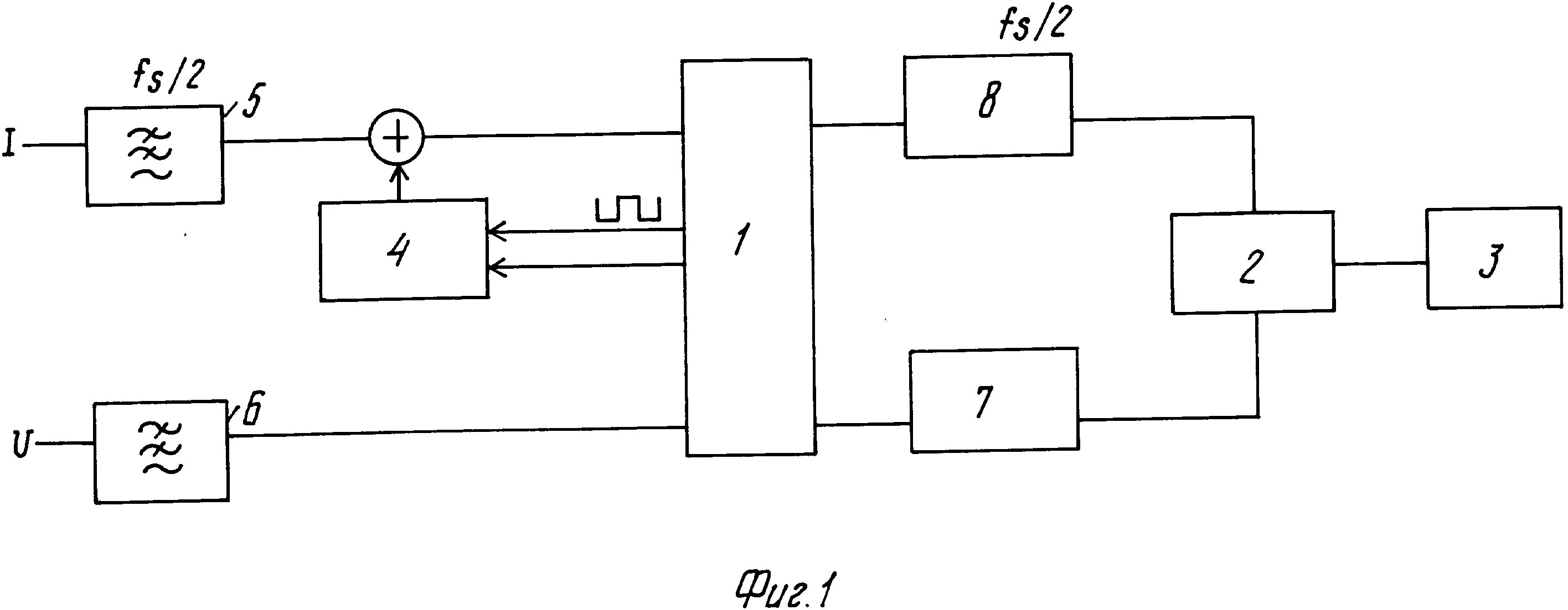
Преобразование сигналов измерительной информации