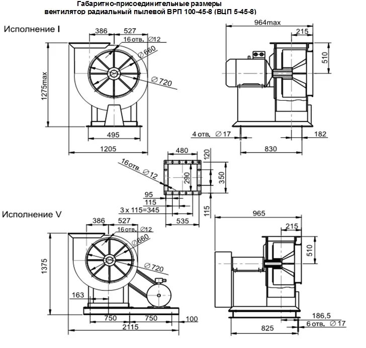
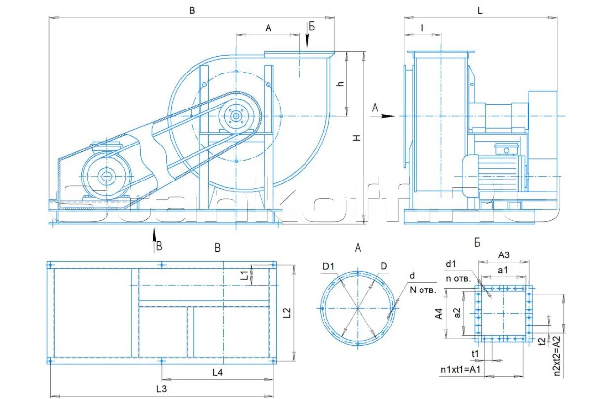
Правое исполнение вентилятора