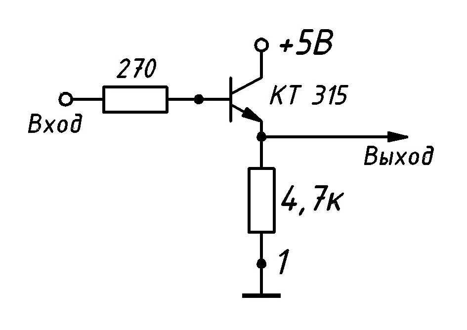
Повторитель функции и параметры