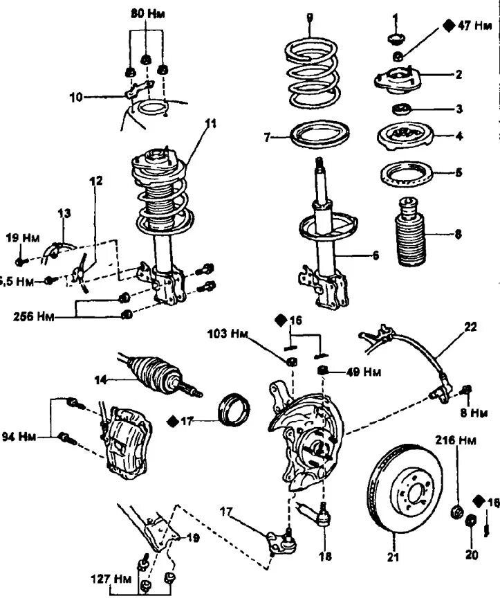
Подвеска тойота корона