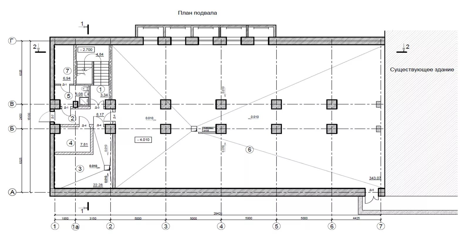
Подвалы общественных зданий